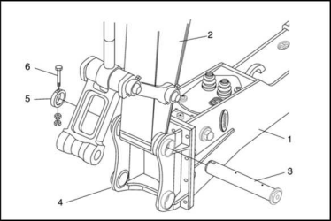
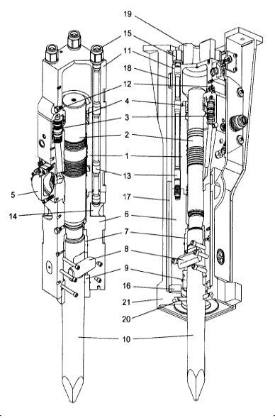
Product Description



Specification
Packing & Delivery
To better ensure the safety of your goods, professional, environmentally friendly, convenient and efficient packaging services will be provided.
Company Profile00
Yantai Haige International Trading Co.,Ltd.,is a joint-stock enterprise engaged in exporting products such as machines,pumps and parts etc. produced in China to the markets abroad,which is located in Laishan district,Yantai City,Shandong Province,China.
Our company is based on the manufacturing plant-Yantai Haige machine tools Co.,Ltd and Yantai Hangjian Refined Special Steel Equipment Co.,Ltd. which focus on manufacturing many kinds of metal finishing equipment. Area of the factory is about 10000 square meter. There are one hundred and sixty staffs working in the factory,which includes 14 staffs focusing on Research and Design.
We have exported various products which mostly are machines and machine parts to many countries ,such as Spain,Ukraine,Russia,Bangladesh,Pakistan,South Korea,India,Vietnam,Taiwan,Malaysia,Japan,Thailand,etc.We can provide oversea service.
We are the exclusive agent of Yantai Volm technology company which focus on manufacturing various of vacuum pumps to international markets.Also we are are appointed to be the sole sales agent of Shandong Gexin machinery manufacturing Co.,Ltd. for their Rotational Moulding products.
We value the quality of the products what we sold and provide prompt after sales service,We hope to have the pleasure of providing you the perfect products and service.
FAQ
1. who are we?
We are based in Shandong, China, start from 2015,sell to South Asia(00.00%),Eastern Europe(00.00%),Southeast Asia(00.00%),Mid East(00.00%),Eastern Asia(00.00%),Southern Europe(00.00%). There are total about 11-50 people in our office.
2. how can we guarantee quality?
Always a pre-production sample before mass production;
Always final Inspection before shipment;
3.what can you buy from us?
Bar Peeling Machines/ Straightening Machines/ Polishing Machines/ Auxiliary Machines/ Filling Machine/ Rotomolding Machine/ Vacuum Pump/ Hydraulic Breaker/ Ammeter/ Water Meter
4. why should you buy from us not from other suppliers?
We have exported various products which mostly are machines and machine parts to many countries ,such as Spain,Ukraine,Russia,Bangladesh,Pakistan,South Korea,India,Vietnam,Taiwan,Malaysia,Japan,Thailand,etc.We can provide oversea service.
5. what services can we provide?
Accepted Delivery Terms: FOB,CFR,CIF,EXW,FAS,CIP,FCA,CPT,DEQ,DDP,DDU,Express Delivery,DAF,DES;
Accepted Payment Currency:USD,EUR,JPY,CAD,AUD,HKD,GBP,CNY,CHF;
Accepted Payment Type: T/T,L/C,Credit Card,PayPal,Western Union,Cash;
Language Spoken:English,Chinese
We are based in Shandong, China, start from 2015,sell to South Asia(00.00%),Eastern Europe(00.00%),Southeast Asia(00.00%),Mid East(00.00%),Eastern Asia(00.00%),Southern Europe(00.00%). There are total about 11-50 people in our office.
2. how can we guarantee quality?
Always a pre-production sample before mass production;
Always final Inspection before shipment;
3.what can you buy from us?
Bar Peeling Machines/ Straightening Machines/ Polishing Machines/ Auxiliary Machines/ Filling Machine/ Rotomolding Machine/ Vacuum Pump/ Hydraulic Breaker/ Ammeter/ Water Meter
4. why should you buy from us not from other suppliers?
We have exported various products which mostly are machines and machine parts to many countries ,such as Spain,Ukraine,Russia,Bangladesh,Pakistan,South Korea,India,Vietnam,Taiwan,Malaysia,Japan,Thailand,etc.We can provide oversea service.
5. what services can we provide?
Accepted Delivery Terms: FOB,CFR,CIF,EXW,FAS,CIP,FCA,CPT,DEQ,DDP,DDU,Express Delivery,DAF,DES;
Accepted Payment Currency:USD,EUR,JPY,CAD,AUD,HKD,GBP,CNY,CHF;
Accepted Payment Type: T/T,L/C,Credit Card,PayPal,Western Union,Cash;
Language Spoken:English,Chinese
Hot Tags: hgb480d excavator attachment excavator top breaker hammer silence type, China hgb480d excavator attachment excavator top breaker hammer silence type manufacturers, hydraulic breaker















